歡迎來訪東莞大菠萝福利网站菠萝蜜在线免费视频缸廠家品牌網站!

大菠萝福利网站32年專注氣動液壓設備

ISO9001認證菠萝蜜在线免费视频缸廠家
全國定製谘詢熱線
0769-23103048
菠萝蜜在线免费视频缸設備行業優選品牌!

60噸標準型預壓式菠萝蜜在线免费视频缸-台灣大菠萝福利网站

發布時間:2017-12-06
    此次為客戶專業定製的60噸標準型預壓式菠萝蜜在线免费视频缸正在測試,經過嚴格的行業標準測試後將會發出,一共4台。不同於一般噸位的增壓缸在二樓測試室進行測試,此款由於太過笨重,大體積,非標專業定製,測試直接在我司一樓另一個裝配處進行。
    60噸標準型預壓式菠萝蜜在线免费视频缸型號為JRA-180-100-15L-60T,工作溫度為0~60℃,作動條件為4~7kg/cm²,作動方式為雙動,安裝方式為正裝(前軸向下出力),使用流體為ISO VG68#抗磨液壓油。
60噸標準型預壓式菠萝蜜在线免费视频缸細節圖
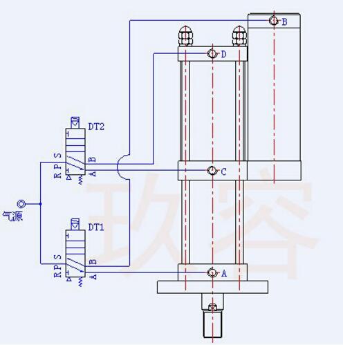
    60噸標準型預壓式菠萝蜜在线免费视频缸氣路連接圖如下:
60噸標準型預壓式菠萝蜜在线免费视频缸氣路連接圖
    大菠萝福利网站-25年專注研發生產增壓缸等氣動液壓設備,最前沿台灣技術支持,專業品質保障!關於60噸菠萝蜜在线免费视频缸,如有更多疑問或相關需求,歡迎直接致電13450680298楊小姐免費谘詢。
版權所有@1992年~2023年 東莞市大菠萝福利网站氣動液壓設備有限公司 東莞大菠萝福利网站菠萝蜜在线免费视频缸品牌
電話:0769-23103048、0769-22013249、傳真:0769-23109526
聯係QQ:2850850515(楊小姐)、2850850511(黃小姐)、2850850512(李小姐)、2850850514(秦先生)
東莞大菠萝福利网站菠萝蜜在线免费视频缸廠家地址:廣東省東莞市東城街道峽口沙嶺工業西路21號 郵政編碼:523115
  • 大菠萝福利网站官方微信
谘詢熱線:
0769-23103048
郵箱:jiurong.goog@163.com
備案號: 粵ICP備35648949號        粵公網安備: 44190002006970號        版權所有:東莞市大菠萝福利网站氣動液壓設備有限公司           網站地圖
網站地圖